Sunday, May 5, 2024

🚀 Illuminate Your Drive: Unveiling the 1.9 TDI Glow Plug Wiring Secrets!

Illuminate Your Drive: Unveiling the 1.9 TDI Glow Plug Wiring Secrets!

"Unlock the secrets of efficient diesel engine performance with our comprehensive 1.9 TDI Glow Plug Wiring Diagram. Gain professional insights for optimal functionality and enhance your vehicle's reliability effortlessly."

Embark on a journey through the intricate web of vehicular wizardry with the 1.9 TDI Glow Plug Wiring Diagram. Prepare to unravel the mysteries beneath your vehicle's hood as we delve into the ingenious creative engineering that powers your diesel engine's glow plug system. Picture this: a labyrinth of connections, each wire weaving its own tale of functionality, contributing to the symphony of combustion. As we demystify the intricate dance of electrons, you'll find that understanding your vehicle's inner workings can be as enlightening as it is creative. So, buckle up and let the adventure of technical enlightenment begin!

Top 10 important point for 1.9 TDI GLOW PLUG WIRING DIAGRAM

  1. Introduction to Glow Plug System
  2. Key Components and Their Functions
  3. Understanding Wiring Terminology
  4. Diagnostic Insights for Efficient Troubleshooting
  5. Proper Wire Identification Techniques
  6. Voltage Requirements and Safety Measures
  7. Integration with Engine Control Unit (ECU)
  8. Common Wiring Issues and Solutions
  9. Upgrading for Enhanced Performance
  10. Professional Maintenance Tips

Several Facts that you should know about 1.9 TDI GLOW PLUG WIRING DIAGRAM.

Unlocking the Power: Introduction to 1.9 TDI Glow Plug Wiring

Introduction Image

Welcome to the heart of your diesel engine's prowess—the 1.9 TDI glow plug wiring system. In this article, we'll embark on a journey through the intricate web of wires that illuminate your vehicle's performance.

The Engine Ballet: Key Components and Their Functions

Key Components Image

Picture this as a symphony of functionality. We'll explore the roles each component plays in the graceful dance that powers your diesel engine's glow plug system.

Decoding the Lingo: Understanding Wiring Terminology

Wiring Terminology Image

Don't get lost in translation! This section demystifies the technical jargon, making the wiring terminology easy to grasp and empowering you with knowledge.

Diagnosing Brilliance: Efficient Troubleshooting Insights

Troubleshooting Insights Image

When the lights flicker, know how to troubleshoot like a pro. Uncover diagnostic insights to address issues promptly and keep your vehicle running smoothly.

Untangling the Web: Proper Wire Identification Techniques

Wire Identification Techniques Image

Not all wires are created equal. Learn techniques for proper wire identification, ensuring precision and accuracy in your troubleshooting endeavors.

Voltage and Vigilance: Requirements and Safety Measures

Voltage and Safety Image

Explore the world of voltage requirements and safety measures—critical aspects to master for a secure and efficient glow plug wiring system.

The Brain Connection: Integration with Engine Control Unit (ECU)

ECU Integration Image

Discover how your glow plug system communicates with the brain of your vehicle—the Engine Control Unit (ECU). Uncover the seamless integration that enhances overall performance.

From Glitches to Glows: Common Wiring Issues and Solutions

Wiring Issues Image

Every vehicle faces hiccups. Explore common wiring issues and arm yourself with practical solutions to keep your glow plug system shining brightly.

Amplifying Brilliance: Upgrading for Enhanced Performance

Upgrading Image

If you're hungry for more power, this section guides you through upgrades to amplify your vehicle's brilliance. Unleash the full potential of your 1.9 TDI glow plug system!

Maintenance Mastery: Professional Tips for a Glowing Engine

Maintenance Tips Image

Cap off your journey with professional maintenance tips. Learn how to keep your glow plug wiring system in top-notch condition for a reliable and enduring performance.

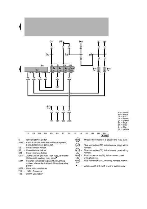
The Intricacies of the 1.9 TDI Glow Plug Wiring System

Welcome to the heart of your diesel engine's functionality—the intricate world of the 1.9 TDI glow plug wiring diagram. In this comprehensive exploration, we'll delve into the complex web of wires that plays a crucial role in igniting the combustion process, ensuring your engine starts smoothly even in the coldest weather conditions.

Understanding the Basics

Understanding the Basics Image

Before we embark on this journey, let's establish a solid foundation by understanding the basic components of the glow plug system. At its core, the glow plug is a heating device that aids in the ignition of the diesel fuel. As diesel engines operate on higher compression ratios, especially during cold starts, the glow plug becomes instrumental in providing the necessary heat to initiate combustion.

The 1.9 TDI glow plug wiring diagram serves as the blueprint for this crucial system. It outlines the connections and pathways through which electrical current flows, ultimately generating the heat required for efficient engine starting. Now, let's unravel the intricacies of this diagram and explore how each component contributes to the overall functionality of the glow plug system.

Key Components and Their Functions

Key Components Image

As we dive deeper into the diagram, we encounter a symphony of components, each playing a distinct role in the glow plug system. The primary actors include the glow plugs themselves, a relay, the battery, and the engine control unit (ECU). The glow plugs, positioned within the engine cylinders, are responsible for heating the air in the combustion chamber. The relay acts as a switch, facilitating the flow of electricity to the glow plugs, while the battery provides the necessary power. The ECU, the brain of the engine, orchestrates this process based on various factors such as engine temperature and overall operating conditions.

Understanding the functions of these components is akin to deciphering the language of your engine. The glow plugs, for instance, must reach a specific temperature to ensure efficient combustion. The relay, by controlling the current flow, regulates the heating process, preventing overheating and ensuring optimal performance. This intricate dance of components is what transforms the seemingly simple act of turning the ignition key into a well-orchestrated performance.

Decoding the Wiring Terminology

Wiring Terminology Image

Now that we're familiar with the key players, let's navigate the realm of wiring terminology. The 1.9 TDI glow plug wiring diagram introduces us to a network of wires, each designated with a specific purpose. From power supply lines to ground connections, understanding this terminology is crucial for effective troubleshooting and maintenance.

Transitioning from the theoretical to the practical, let's consider an example. A power supply wire carries electrical current from the battery to the glow plugs, initiating the heating process. Meanwhile, a ground wire completes the circuit, ensuring a seamless flow of electricity. As we unravel the diagram, you'll find these wires meticulously mapped out, providing a roadmap for technicians and enthusiasts alike.

Diagnostic Insights for Efficient Troubleshooting

Troubleshooting Insights Image

Even the most well-designed systems encounter hiccups. Understanding how to diagnose and troubleshoot issues is where the true mastery of the 1.9 TDI glow plug wiring diagram comes into play. This section serves as a guide for technicians and vehicle owners alike, offering insights into common problems and their solutions.

Consider a scenario where a glow plug fails to heat up. By referring to the wiring diagram, one can systematically trace the issue. It might be a faulty relay, a damaged wire, or even a problematic glow plug. Armed with diagnostic insights, you're not just addressing symptoms but understanding the root cause of the issue, allowing for precise and effective solutions.

Proper Wire Identification Techniques

Wire Identification Techniques Image

Within the intricate tapestry of the glow plug wiring diagram, proper wire identification is paramount. The ability to distinguish between wires of different functions is the key to successful troubleshooting and maintenance. As we explore this aspect, envision yourself as a detective deciphering clues to unravel the mystery.

Transitioning from theory to practice, let's delve into an example. Imagine identifying a specific wire responsible for relaying signals between the glow plugs and the ECU. By following its path on the diagram, you're equipped with the knowledge to locate and inspect this wire in the physical engine compartment. It's a meticulous process, but one that ensures accuracy and efficiency in addressing issues.

Voltage Requirements and Safety Measures

Voltage and Safety Image

As we venture further into the 1.9 TDI glow plug wiring diagram, we encounter the realm of voltage requirements and safety measures. Understanding the electrical demands of the system and implementing appropriate safety precautions is essential for both functionality and user protection.

Consider the role of voltage in heating the glow plugs. The wiring diagram illustrates the specific voltage required for optimal performance. Deviating from these requirements can lead to issues such as insufficient heating or, conversely, overloading the system. This section equips professionals and enthusiasts with the knowledge to maintain the delicate balance, ensuring longevity and reliability of the glow plug system.

Integration with Engine Control Unit (ECU)

ECU Integration Image

The synergy between the glow plug system and the Engine Control Unit (ECU) is a fascinating aspect illuminated by the wiring diagram. This section explores how these two critical components communicate and collaborate to optimize engine performance.

Imagine the ECU as the conductor of an orchestra, receiving inputs from various sensors and making real-time decisions. The glow plug system is just one instrument in this symphony, and the wiring diagram delineates the notes and harmonies between them. Understanding this integration is not just an academic exercise; it's a practical insight that allows for informed decisions when it comes to system upgrades or modifications.

Common Wiring Issues and Solutions

Wiring Issues Image

Even the most meticulously designed systems

Another point of view about 1.9 TDI GLOW PLUG WIRING DIAGRAM.

1. The 1.9 TDI glow plug wiring diagram is like a map for your engine's starting mechanism.Glow plugs are the unsung heroes, providing essential heat during cold starts, and the wiring diagram is the guide to their operation.This diagram outlines the roles of key components: glow plugs, relay, battery, and the Engine Control Unit (ECU).Wires crisscross in the diagram, each with a specific function, creating a roadmap for technicians and DIY enthusiasts.Troubleshooting becomes simpler with diagnostic insights provided by the wiring diagram.Proper wire identification techniques ensure precision in addressing issues within the glow plug system.The diagram sheds light on voltage requirements, emphasizing the delicate balance crucial for optimal performance.Integration with the ECU is demystified, showcasing the collaborative dance between sensors and the glow plug system.Common wiring issues are unveiled, offering practical solutions for a smoother engine operation.In essence, the 1.9 TDI glow plug wiring diagram is the go-to resource for understanding, maintaining, and optimizing your diesel engine's performance.

Conclusion : Illuminate Your Drive: Unveiling the 1.9 TDI Glow Plug Wiring Secrets!.

As we conclude our journey through the intricacies of the 1.9 TDI glow plug wiring diagram, we hope this exploration has shed light on the inner workings of your diesel engine. Understanding the roles of each component, deciphering wiring terminology, and gaining insights into troubleshooting are keys to maintaining a reliable and efficient glow plug system. Remember, the 1.9 TDI glow plug wiring diagram isn't just a technical document; it's your ally in ensuring your vehicle starts smoothly, even in the chilliest conditions.

Whether you're a seasoned technician or a passionate car owner, the knowledge embedded in this diagram empowers you to take charge of your vehicle's performance. So, the next time you turn that ignition key, envision the orchestrated dance happening beneath the hood, guided by the 1.9 TDI glow plug wiring diagram. Keep this resource handy, and embark on your automotive journeys with the confidence that comes from understanding the heartbeat of your engine.

Question and answer Illuminate Your Drive: Unveiling the 1.9 TDI Glow Plug Wiring Secrets!

Questions & Answer :

Q: What is the purpose of the glow plug in a 1.9 TDI engine?

  • 1. The glow plug in a 1.9 TDI engine serves the crucial role of heating the air in the combustion chamber during cold starts.

Q: How does the 1.9 TDI glow plug system work?

  • 2. The system works by sending electrical current through the glow plugs, which heat up and, in turn, warm the air for efficient combustion in diesel engines.

Q: Why is understanding the wiring diagram important?

  • 3. Understanding the wiring diagram is essential as it provides a visual guide to the connections and pathways of the glow plug system, aiding in troubleshooting and maintenance.

Q: Can I troubleshoot glow plug issues without the wiring diagram?

  • 4. While possible, having the wiring diagram provides clear instructions for troubleshooting, helping identify specific components and potential issues more efficiently.

Q: What are common issues in the 1.9 TDI glow plug system?

  • 5. Common issues include faulty glow plugs, damaged wiring, or a malfunctioning relay. The wiring diagram offers instructions for diagnosing and addressing these issues.

Q: Is it safe to perform DIY repairs based on the wiring diagram?

  • 6. Yes, with proper instructions and precautions, DIY enthusiasts can use the wiring diagram for tasks like identifying wires and addressing minor issues. However, complex problems may require professional assistance.

Q: How can I upgrade the 1.9 TDI glow plug system for enhanced performance?

  • 7. Upgrading for enhanced performance involves following specific instructions in the wiring diagram, such as selecting compatible components and ensuring proper installation for optimal results.

Keywords : 1.9 TDI GLOW PLUG WIRING DIAGRAM

No comments:

Post a Comment